Copy Logo SVG
Copy Icon SVG
Copy Wordmark SVG
Brand Guide
System
Referenzen
Unternehmen
Wissen
de-CH
Deutschland
Deutsch
Schweiz
Français
Italiano
Österreich
Deutsch
Italien
Italiano
Deutsch
English
Gespräch vereinbaren
Login
Zurück
System
Plattform Übersicht
Ein System für die Mobilität der Zukunft
Hardware
Vernetzt. Wartungsarm. Zuverlässig.
Software
Automatische Kennzeichenerkennung
Service
Persönlich. Individuell. Schnell.
Payment
Digital. Intuitiv. Flexibel.
Branchen
Badeseen und Küstenregionen
Entspannt parkieren und abtauchen
Bahnhöfe und Flughäfen
Die Reise beginnt entspannt bei der Einfahrt
Bergbahnen
Wenn Innovation den Gipfel erreicht.
Freizeiteinrichtungen
Mehr Freizeitspaß dank freier Stellplätze
Gesundheitseinrichtungen
Digitales Parkieren für Orte, an denen jede Minute zählt
Groß- und Einzelhandel
Parkieren statt parken
Hotellerie und Gastronomie
Glückliche Gäste dank schrankenlosem Parkieren
Shopping Center
Smartes Parkieren für Shopping-Erlebnisse ohne Stress
Städte & Gemeinden
Parkplatz finden leicht gemacht
Referenzen
Schnalstaler Gletscher
Anwenderfreundliche und effiziente Parkraumbewirtschaftung
Palais Vest
Das Peter Park System überzeugt
Einkaufszentrum Intro Bergheim
Freie Parkplätze für Kunden
Raststätte Würenlos
Egal ob Stunden oder Tage: Flexible Bezahloptionen für alle Parkierenden
Messner Mountain Museum bei Bozen
Einfahrt ohne Anhalten und 24/7-Verfügbarkeit
Unser System bei zahlreichen Flächen erfolgreich im Einsatz.
Erfolgreiche Projekte aus der Praxis
Alle Referenzen ansehen
Unternehmen
Über uns
Unsere Mission und Team
Karriere
Komm an Bord
Kontakt
Kontaktmöglichkeiten
Auf der Suche nach einem Job, der wirklich etwas bewirkt?
Gestalte die Zukunft des Parkens mit uns
Hier geht’s zu unseren offenen Stellen.
Wissen
Blog
Wissen rund um digitales Parken
Presse
Pressemitteilungen
Events
Events und Updates
quick links
Checkliste
Einsparpotenzial
Whitepaper
Newsletter
FAQ
Schrankenloses Parkieren: Rechtliche Grundlagen einfach erklärt
Facts & Knowledge
Jetzt lesen
Peter Park Tutorials
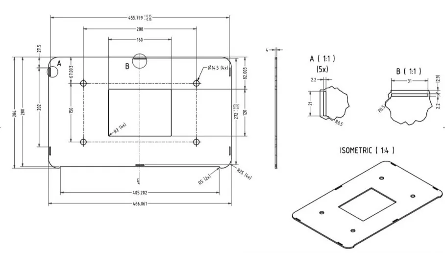
Bodenplatte
Maßangaben der Bodenplatte des Automaten: